【第76回 午前 77】公式丸暗記は不要!オペアンプの最強ルールをマスター

理工学・放射線科学

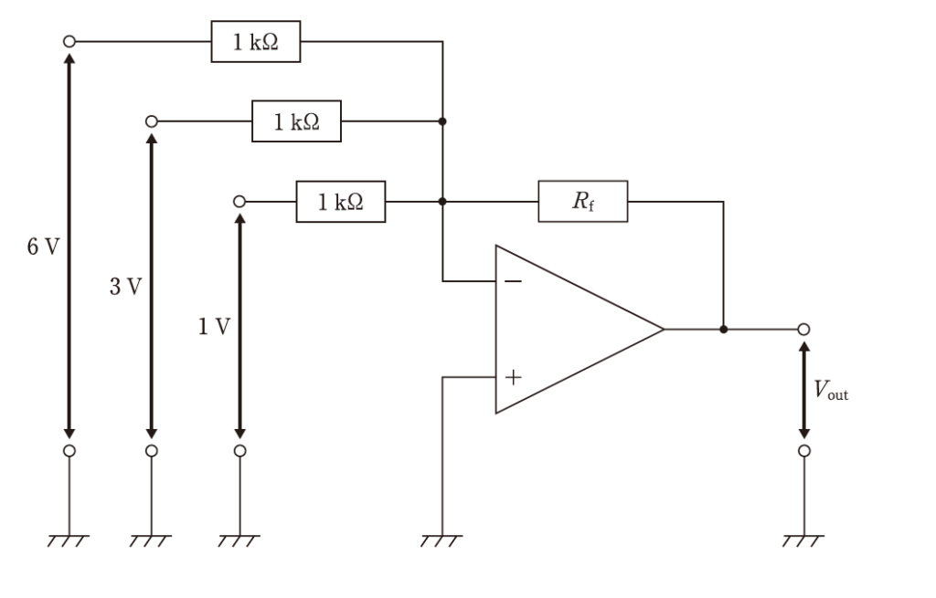
演算増幅回路を図に示す。

出力電圧 Vout が -10 V のとき負帰還抵抗 Rf [kΩ] はどれか。

  1. 1
  2. 2
  3. 3
  4. 4
  5. 5

出典:厚生労働省公開PDF(令和6年版)


1.1


解説

✔ ステップ1:魔法のルール「イマジナリーショート(仮想短絡)」

オペアンプ(三角形の記号)の問題が出たら、まず絶対に確認すべき最強のルールがあります。 それは、「+端子(非反転入力)と -端子(反転入力)の電圧は、常に同じになるように働く」という性質です。これを「イマジナリーショート」と呼びます。

回路図を見てみましょう。 下の「+端子」は、アース(グラウンド)に繋がっていますね。アースは「0 V」です。 ということは、イマジナリーショートの法則により、上の「-端子」がある交差点の電圧も「0 V」になります。 ここがすべての計算のスタート地点です!

✔ ステップ2:3本のルートから流れ込む「電流」を計算する

交差点が「0 V」だと分かりました。 次に、左側にある3つの電源から、この交差点(0 V)に向かって流れ込む電流をそれぞれ計算します。オームの法則「電流 = 電圧 ÷ 抵抗」を使います。

  • 一番上のルート
    • 6 V の電源から、1 kΩ の抵抗を通って 0 V へ向かいます。
    • 流れる電流 = (6 V - 0 V) ÷ 1 kΩ = 6 mA
  • 真ん中のルート
    • 3 V の電源から、1 kΩ の抵抗を通って 0 V へ向かいます。
    • 流れる電流 = (3 V - 0 V) ÷ 1 kΩ = 3 mA
  • 一番下のルート
    • 1 V の電源から、1 kΩ の抵抗を通って 0 V へ向かいます。
    • 流れる電流 = (1 V - 0 V) ÷ 1 kΩ = 1 mA

✔ ステップ3:合流した電流で Rf を求める

オペアンプには「入力端子(-端子)の中には、電流は一滴も流れ込まない」というもう一つの絶対ルール(入力インピーダンス無限大)があります。

では、左からやってきた「6 mA」「3 mA」「1 mA」の3つの電流はどうなるのでしょうか? オペアンプの中には入れないので、すべて合流して、右側の抜け道である「負帰還抵抗(Rf)」の方へ流れていきます。(キルヒホッフの第一法則)

  • 合流した総電流 = 6 + 3 + 1 = 10 mA

つまり、Rf には「左から右へ 10 mA の電流が流れている」ことになります。

最後に、Rf の前後でオームの法則を考えます。 左側の交差点は「0 V」で、右側の出口(Vout)は問題文より「-10 V」です。

  • 電圧の差 = 0 V - (-10 V) = 10 V

Rf には「10 V」の電圧がかかっていて、「10 mA」の電流が流れています。 抵抗 Rf = 電圧 ÷ 電流 Rf = 10 V ÷ 10 mA = 1 kΩ


出題者の“声”

この問題は、オペアンプの公式「Vout = -(Rf/R) × Vinをただ丸暗記しているのか、それとも「回路の仕組みを電流の流れで理解しているか」を試しておる。

これは複数の電圧を足し合わせる「反転加算回路」と呼ばれるものじゃ。 公式を忘れてしまっても、「イマジナリーショートで交差点を0 Vにする」「各抵抗の電流を出して合流させる」という基本の物理法則(オームの法則とキルヒホッフの法則)に立ち返れば、必ず解けるように作ってある。

「オペアンプの問題は、まず交差点を 0 V にして、電流の足し算をする」。 この定石を知っていれば、どんなに応用問題が出ても怖くないんじゃよ。


臨床の“目”で読む

ーこんな回路、病院のどこで使われているの?ー

実はこのオペアンプ(演算増幅器)は、医療機器の心臓部とも言える超重要パーツです。

例えば、心電図(ECG)や脳波計(EEG)。 人間の体から出てくる電気信号は、数ミリボルト〜数マイクロボルトという、ノイズに埋もれてしまうほど極めて微弱なものです。 この微弱な信号を、モニターに波形として表示できるレベルまで綺麗に「増幅(大きく)」してくれるのがオペアンプの役割です。

また、今回の問題のような「加算回路」や「差動増幅回路」の技術を使うことで、不要なノイズ成分だけを引き算して消し去り、欲しい生体信号だけを綺麗に取り出すことができます。 オペアンプがなければ、現代の精密な医療機器は一つも動かないと言っても過言ではありません。


今日のまとめ

  1. オペアンプの最強ルール①:イマジナリーショート(+端子と-端子は同じ電圧になる)
  2. +端子がアース(0 V)なら、交差点(-端子)も必ず「0 V」になる!
  3. オペアンプの最強ルール②:オペアンプの中には電流は流れ込まない!
  4. 入ってきた電流はすべて合流して、負帰還抵抗(Rf)へ流れる!

コメント